醫院檢驗科用純水過濾設備,制水設備
檢驗科每天承擔包括病房、門急診病人、各類體檢以及科研的各種人體和動物標本的檢測工作。
隨著醫院檢驗學科的發展,醫院檢驗科對實驗室用水的要求也越來越嚴格,水質的好壞直接導致檢驗結果準確與否,而且多數檢驗科在發展中都會面臨標本量、檢測量迅速增加的挑戰,需要不斷增加新的檢測儀器、采用一些新的技術裝備,甚至引進全自動工作系統以及流水線。分析系統設計越來越精密,使得檢驗過程對水質越來越敏感。

醫院中央分質供水系統取代了傳統的每個使用點獨立產水、用水、維護和管理的用水方式。傳統的多臺單機解決方案,只有少數設備能夠使用直供純水,大部分的日常用水需要到純水設備邊去接水,并采用額外的容器進行儲存和運送,影響科室檢測質量的統一性和穩定性,也造成了一定程度上的人力、時間和物力的消耗。而醫院中央分質供水系統,由于產水統一進行,可以指定專人進行設備使用、維護和管理,純水通過管道分配到直接用水點,避免了純水在儲存過程中的二次污染,降低了使用風險。
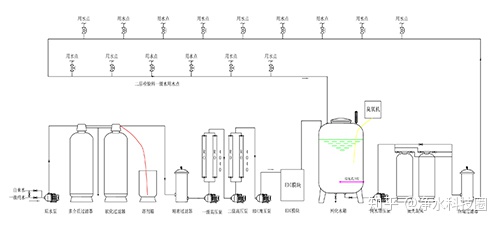
檢驗科用水示意圖
檢驗科水質要求
在檢驗科實驗室每天幾十項甚至上百項實驗分析中,重要的一種試劑就是水,為了保證實驗結果的準確性,水質非常的重要,那么醫院檢驗科實驗室用水標準是什么?
分析實驗室用水的原水應為飲用水或適當純度的水。

三級純水主要用途是清洗瓶皿,高壓消毒裝置用水以及超純水進水。
二級純水可適用于多種需求,從試劑制備和溶液稀釋,到細胞培養配備營養液和微生物研究。
一級純水主要用于高精密度的分析實驗和對水純度要求很高的生命科學實驗。
檢驗科用水需求
檢驗科對水的需求主要集中在醫護人員日常飲用水,生化儀用水,免疫分析儀用水,試劑配置、染色片沖洗、稀釋樣本等。
日立7600-120全自動生化分析儀,其用水需求及標準為:臨床實驗室二級標準,細菌含量限制達到一級標準,其進水條件標注儀器工作狀態平均用水150L/H。
雅培2000全自動免疫分析儀,其用水需求及標準為:臨床實驗室二級標準,細菌含量限制達一級標準;儀器工作狀態平均用水5.5L/H。
微生物、體液、血液等檢測都有可能需要使用純水進行試劑配置、染色片沖洗、稀釋樣本、倒制培養基等工作,其水質要求都是達到二級標準,細菌含量為限制起碼達一級標準。按照三級甲等醫院通常的計算水量,200L/天即可滿足。
醫院中央分質供水系統—檢驗科用水案例
人民醫院中央分質用水系統中檢驗科制水設備供水量為500L/H。檢驗科室設11個用水點。
醫院中央分質供水機房—檢驗科制水設備
醫院中央分質供水機房—檢驗科制水設備
中央分質用水系統中檢驗科制水設備供水量為500L/H。檢驗科室設9個用水點,供生化分析儀、免疫分析儀等設備使用。
中央分質供水機房—檢驗科制水設備
醫院中央分質供水系統優勢
1. 提升醫院管理效率和管理水平。
2. 降低一線醫務室工作者的工作強度。
3. 節約寶貴的醫院用房。
4. 減少設備投資,降低運行成本。
5. 用水質量更安全。
6. 用水水量更有保障。
醫院中央分質供水經濟效益
1. 水資源利用率提高一倍,節水50%。
2. 變頻技術和動態降耗技術,節電50%。
3. 耗材品種與數量大幅減少,更換頻率降低,降耗50%。
4. 只需一人分管,降低80%人工成本。
5. 機房不占用科室用房,節約空間。
6. 系統符合《綠色建筑評價標準》,方便綠色醫院評定。
- 上一篇:超純水水處理設備加藥裝置計量計算(僅供參考) 2021/11/1
- 下一篇:疑問解答-超純水和去離子有什么不同的地方 2021/10/14

最新產品
1疾控中心實驗室污水設備
2PCR實驗室廢水處理設備
3牙科醫院口腔污水處理設備
4實驗室廢水處理設備
5陶氏膜,陶氏反滲透膜,原裝陶氏
6軟化水設備,軟化水機,全自動軟
7二級滲透工藝實驗室超純水機
8拋光樹脂,核級樹脂,MR575
9F78A自動軟化閥,軟化水設備
10廠家直銷超純水設備,線路板廠清
最新資訊文章
- 1醫院各科室?水處理純水設備行業標準,小編為大家整理了一下,僅供參考!
- 2醫院手術室用純水設備水處理系統水質標準介紹
- 3實驗室超水機- 福建美一食品與成都奧邁簽訂超純水機合作協議!
- 4華為技術有限公司
- 5超純水水處理設備加藥裝置計量計算(僅供參考)
- 6疑問解答-超純水和去離子有什么不同的地方
- 7高性價比的實驗室超純水機這樣選,省錢又實用!
- 8實驗室純水設備未來市場發展展望
- 9中科院成都光電研究所與成都奧邁科技簽訂去離子水機合作協議!
- 10超純水設備系統濃水的特點以及會出現什么問題?